600城市空降平台高端私人

您的地位: 主頁   產物中間   夾雜系列  EYH二維生活混雜機
EYH二維活動夾雜機
EYH二維活動夾雜機

EYH二維活動夾雜機

二維混料機首要由轉筒、擺動架、基架三大局部組成。轉筒裝在擺動架上,由四個滾輪支持并由兩個擋輪對其停止軸向定位,在四個支持滾輪中,此中兩個傳動輪由動彈能源體系拖動使轉筒產生動彈,擺動架由一組曲柄擺桿機構來驅動,曲柄擺桿機構裝在機架上,擺動架由軸承組件支持在機架上。
產物概況

道理:
二維混料機首要由轉筒、擺動架、基架三大局部組成。轉筒裝在擺動架上,由四個滾輪支持并由兩個擋輪對其停止軸向定位,在四個支持滾輪中,此中兩個傳動輪由動彈能源體系拖動使轉筒產生動彈,擺動架由一組曲柄擺桿機構來驅動,曲柄擺桿機構裝在機架上,擺動架由軸承組件支持在機架上。

特色:
EYH二維混料機的轉筒可同時停止二個活動,一個為轉筒的動彈,另外一個為轉筒隨擺動架的擺動。被夾雜物料在轉筒內隨轉筒動彈、翻轉、夾雜的同時,又隨轉筒的擺動而產生擺布往返的摻混活動,再這兩個活動的配合感化下,物料在短時候內獲得充實的夾雜。EYH二維混料機合適一切粉、粒狀物料的夾雜。 本機普遍用于醫藥、化工、食物、染料、飼料、化肥、農藥等行業特別合用于大噸位(1000L-10000L)各種固相物料的夾雜。
本機夾雜筒在傳動的同時又到場擺動,使筒中物料得以充實夾雜。夾雜筒的出料口偏離夾雜筒圓筒局部的中線,使該機具備夾雜敏捷、夾雜量大,出料便利等特色。

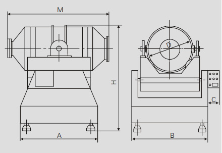
形狀表示圖:


手藝參數:

形號容量L>裝料指數 >裝料重量 >外表面積mm>工率 >
A>B>C>D>M>H>彈出 >晃動 >
EYH100>100>0.5>40>860>900>200>400>1000>1500>11.1>0.75>
EYH300>300>0.5>75>1000>1100>200>580>1400>1650>11.1>0.75>
EYH600>600>0.5>150>1300>1250>240>720>1800>1850>1.5>1.1>
EYH800>800>0.5>200>1400>1350>240>810>1970>2100>1.5>1.1>
EYH1000>1000>0.5>350>1500>1390>240>850>2040>2180>2.2>1.5>
EYH1500>1500>0.5>550>1800>1550>240>980>2340>2280>3>1.5>
EYH2000>2000>0.5>750>2000>1670>240>1100>2540>2440>3>2.2>
EYH2500>2500>0.5>950>2200>1850>240>1160>2760>2600>4>2.2>
EYH3000>3000>0.5>1100>2400>1910>280>1220>2960>2640>5>4>
EYH5000>5000>0.5>1800>2700>2290>300>1440>3530>3000>7.5>5>
EYH10000>10000>0.5>3000>3200>2700>360>1800>4240>4000>15>11>
EYH12000>12000>0.5>4000>3400>2800>360>1910>4860>4200>15>11>
EYH15000>15000>0.5>5000>3500>3000>360>2100>5000>4400>18.5>15>

接洽關系產物
當即征詢
姓名*
德律風*
郵箱
留言內容*
考證碼*
  
其余產物
熱點產物